Ремонт Ключа Приора в Махачкале
Просмотров: 62
Четверг, 26 сентября 2019 г.

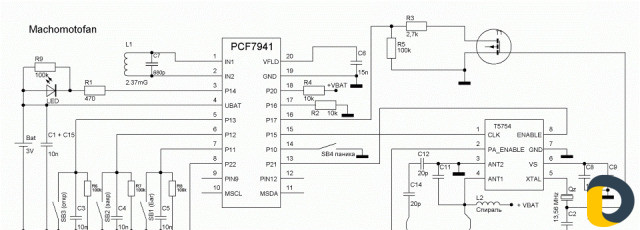
Ремонтируем ключи от приоры . от 100.до 500. так и другие пульты паяем другие пульты и все узлы. Угол Кирова Ахмет-Хана Султана Магазин Сириус
- Регион: Дагестан
- Город: Махачкала
- Район: Советский
- Адрес: 5-я Родниковая улица
- Цена: 500р
На карте


